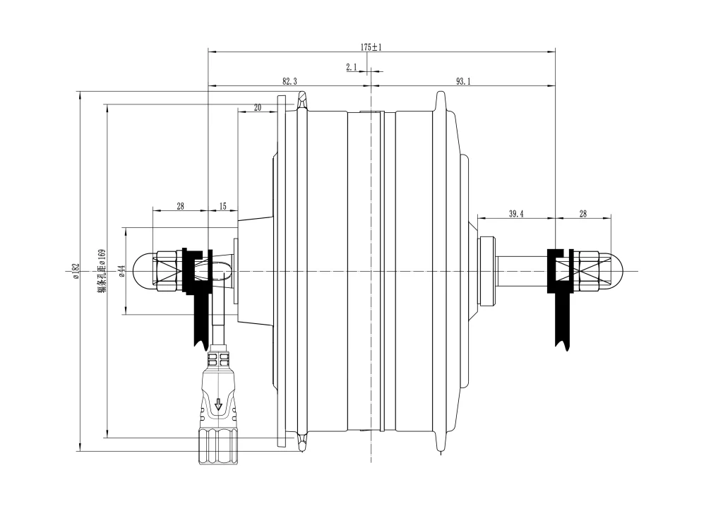
The 1500W motor provides high power and torque output, making it one of the most powerful hub motors for fat tire e-bikes. It provides strong acceleration, high torque, and is capable of reaching a top speed of 65km/h, depending on bike setup, rider weight, and terrain.

滚动至顶部